1. Tujuan [kembali]
- Mampu mendalami pembuatan sebuah rangkaian untuk diaplikasikan ke sebuah alat
- Mengetahui alur kerja dari rangkaian yang dibuat
2. Alat dan Komponen [kembali]
- DC Voltmeter
untuk mengetahui beda potensial tegangan DC
- Resistor
sebagai tahanan dan komponen pasif
- Kapasitor Polar
Kapasitor polar adalah jenis kapasitor electrolytic yang memiliki polaritas kutub positif (+) dan kutub negatif (-). Bahan pembentukan kapasitor polar ini (bahan dielektrik) merupakan lapisan metal-oksida.
Sesuai dengan namanya "Polar". Jenis kapasitor polar ini memiliki polaritas dimana polritasnya terbentuk akibat proses pembuatannya yang menggunakan elektrolisa. Sehingga hasil akhirnya terbentuk kutub positif dan kutub negatif pada kapasitor tersebut.
Kita ketahui bahwa material berbahan metal yang tersebar diantaranya adalah Alumunium, Magnesium, Titanium, Zinc, Zirconium, Tantalum. Ketika bahan metal tersebut teroksidasi maka akan membentuk lapisan metal-oksida (oxide film). Lapisan oksida tersebut akan terbentuk akibat dari proses elektrolisa.
Dari hasil elektrolisis tersebut dihasilkan plat metal sebagai anoda, lapisan metal oksida (bahan dielektrik) dan electrolyte sebagai katoda. Terbentuklah komponen kapasitor. Kapasitor ini memiliki kapasitansi yang besar namun memiliki ukuran yang sangat kecil.
Bentuk Kapasitor Polar / Electrolytic
- Transistor NPN 2N2222A

- Ground
Apa itu grounding? adalah jalur balik arus ke sumber listrik atau elektronik. Di sirkuit, ini bertindak sebagai referensi atau bidang 0V. Adalah umum bahwa semua voltase lainnya diukur relatif terhadap tanah. Cakupan pentanahan tidak terbatas hanya pada jalur pengembalian saat ini. Dalam sistem tenaga listrik, pentanahan yang tepat penting untuk perlindungan manusia dan properti. Papan sirkuit tercetak (PCB) yang memiliki bidang dasar memblokir interferensi Elektromagnetik (EMI) dan meningkatkan pembuangan panas dalam elektronik. Sistem proteksi petir dan sistem proteksi lonjakan mengandalkan landasan yang tepat untuk bekerja dengan baik.
3. Dasar Teori [kembali]
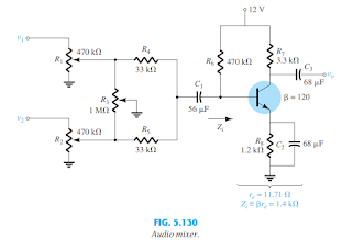
Ketika dua atau lebih sinyal digabungkan menjadi satu output audio, mixer seperti ditunjukkan pada Gambar. 5.130 digunakan. Potensiometer pada input adalah kontrol volume
untuk setiap saluran, dengan potensiometer R3 disertakan untuk memberikan keseimbangan tambahan antara dua sinyal. Resistor R4 dan R5 ada untuk memastikan bahwa satu saluran tidak dimuatbawah yang lain, yaitu, untuk memastikan bahwa satu sinyal tidak muncul sebagai beban yang lain,menarik daya, dan memengaruhi keseimbangan yang diinginkan pada sinyal campuran.
4. Percobaan [kembali]
5. Download File [kembali]
File Rangkaian
Link Video
DataSheet Resistor 10k [DOWNLOAD]
DataSheet Transistor NPN [DOWNLOAD]
DataSheet kapasitor polar [DOWNLOAD]
[menuju awal]




Tidak ada komentar
Posting Komentar